1
/
/
2
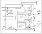
X-NUCLEO-IHM12A1 - Motor Controller/Driver
X-NUCLEO-IHM12A1 - Motor Controller/Driver
Normaalihinta
12,00 €
Normaalihinta
Alennushinta
12,00 €
Yksikköhinta
/
kohti
Sisältää verot.
Toimituskulut lasketaan kassalla.
Noudon saatavuutta ei voitu ladata
Jaa

