1
/
/
1
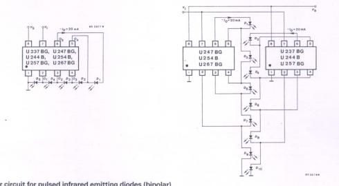
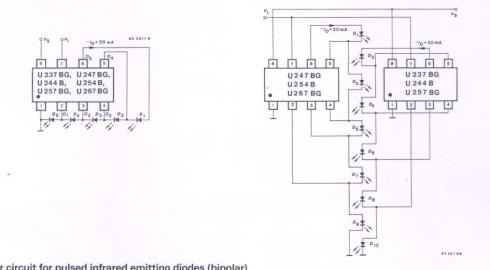
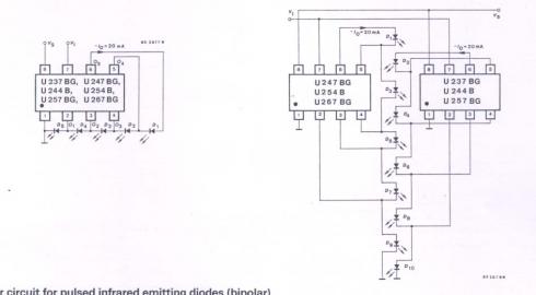
U244B - 5 LED bar driver linear soft
U244B - 5 LED bar driver linear soft
Normaalihinta
2,80 €
Normaalihinta
Alennushinta
2,80 €
Yksikköhinta
/
kohti
Sisältää verot.
Toimituskulut lasketaan kassalla.
Noudon saatavuutta ei voitu ladata
Jaa
