1
/
/
2
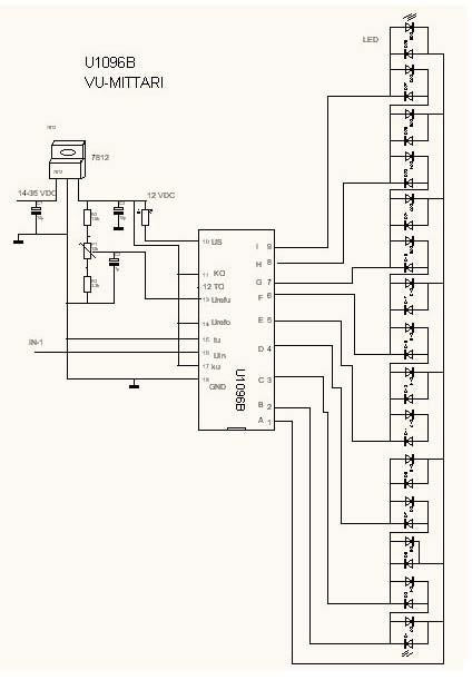
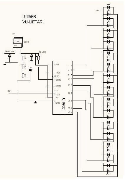
U1096B -JUMBO - 2-kanava VU-MITTARI, 2X30 led. Kytkentä kaiuttimien rinnalle.
U1096B -JUMBO - 2-kanava VU-MITTARI, 2X30 led. Kytkentä kaiuttimien rinnalle.
Normaalihinta
16,50 €
Normaalihinta
Alennushinta
16,50 €
Yksikköhinta
/
kohti
Sisältää verot.
Toimituskulut lasketaan kassalla.
Noudon saatavuutta ei voitu ladata
U1096B VUMITTARI 2X30 LED flying dot driver Stereo signaalintasomittari. Indikoi molempien kanavien tason voimakkuutta musiikin tahdissa. Kytketään kaiuttimien rinnalle.
Jaa
