1
/
/
3
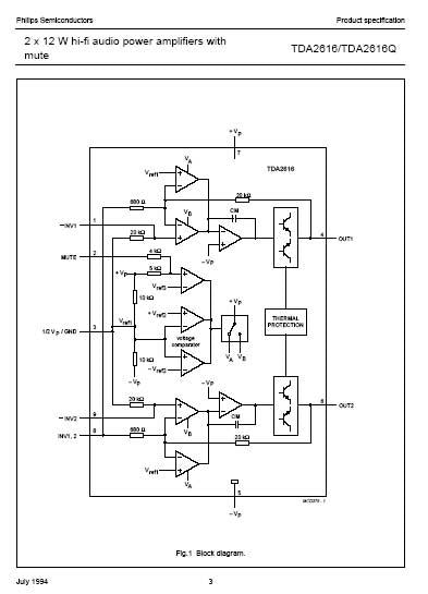
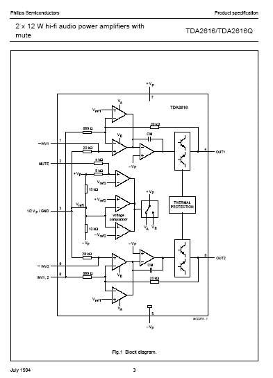
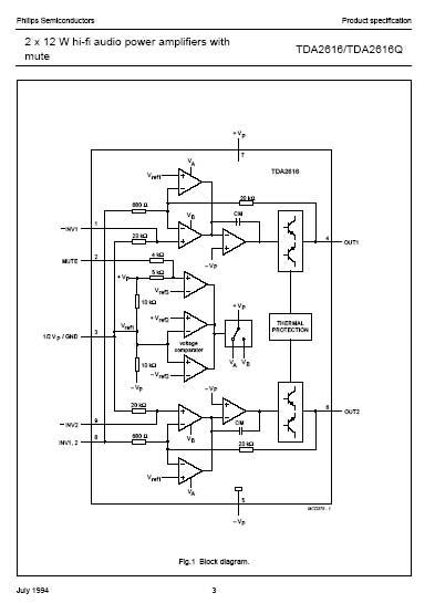
TDA2616 - 12VDC/2X12WATT HI-FI-AUDIO POWER AMPLIFIERS
TDA2616 - 12VDC/2X12WATT HI-FI-AUDIO POWER AMPLIFIERS
Normaalihinta
8,00 €
Normaalihinta
Alennushinta
8,00 €
Yksikköhinta
/
kohti
Sisältää verot.
Toimituskulut lasketaan kassalla.
Noudon saatavuutta ei voitu ladata
Jaa
