1
/
/
10
TCDF1900 - Puolijohderele Optocoupler with Photo-MOS FET sopivat esim. Arduinolle. Raspberry
TCDF1900 - Puolijohderele Optocoupler with Photo-MOS FET sopivat esim. Arduinolle. Raspberry
Normaalihinta
1,80 €
Normaalihinta
Alennushinta
1,80 €
Yksikköhinta
/
kohti
Sisältää verot.
Toimituskulut lasketaan kassalla.
Noudon saatavuutta ei voitu ladata
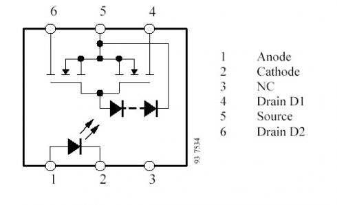
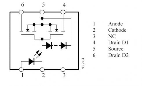
Puolijohderele TELEFUNKEN Semiconductors TCDF1900/ TCDF1910 Optocoupler with Photo-MOS FET Description The TCDF1900/ TCDF1910 consist of two MOS FET transistors connected with a photovoltaic element, optically coupled to a gallium arsenide infrared emitting diode in a 6 lead plastic dual inline packages. Applications Switches for AC and/or DC voltages in D Telecommunication, Fax modem, Line cards, Public phones, Fax machines D Bounce-free switching D General replacement of mechanical device
Jaa
