1
/
/
2
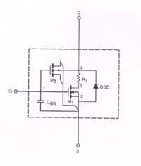
SUP/SUB75N06-08 - N-CHANNEL MOSFET
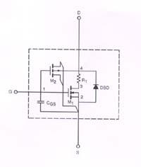
SUP/SUB75N06-08 - N-CHANNEL MOSFET
Normaalihinta
3,80 €
Normaalihinta
Alennushinta
3,80 €
Yksikköhinta
/
kohti
Sisältää verot.
Toimituskulut lasketaan kassalla.
Noudon saatavuutta ei voitu ladata
Jaa
