1
/
/
2
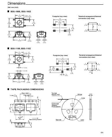
OMRON SMD - Switch high force Omron B3S-1002 SMD
OMRON SMD - Switch high force Omron B3S-1002 SMD
Normaalihinta
0,50 €
Normaalihinta
Alennushinta
0,50 €
Yksikköhinta
/
kohti
Sisältää verot.
Toimituskulut lasketaan kassalla.
Noudon saatavuutta ei voitu ladata
Jaa

