1
/
/
7
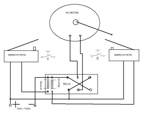
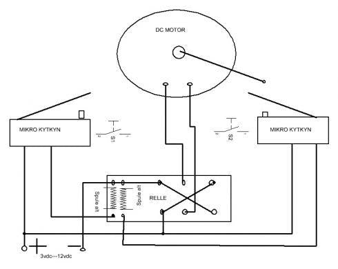
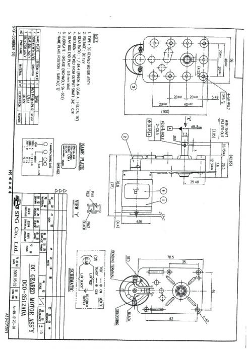
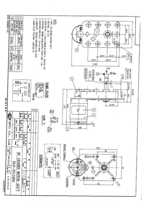
DGO-3512ADA 2. - 5..12VDC. Vaihteistomoottori 27 ---33 rpm. Ilman kampea, asentokytkimellä.
DGO-3512ADA 2. - 5..12VDC. Vaihteistomoottori 27 ---33 rpm. Ilman kampea, asentokytkimellä.
Normaalihinta
15,00 €
Normaalihinta
Alennushinta
15,00 €
Yksikköhinta
/
kohti
Sisältää verot.
Toimituskulut lasketaan kassalla.
Noudon saatavuutta ei voitu ladata
Technische Daten: - Betriebsspannung 3..12 V- - Stromaufnahme ca. 0,4 A - Drehzahl bei 3 V: 7,5 U/min, 6 V: 15 U/min, 12 V: 30 U/min ( 12 VDC ). Tämä versio ilman kampea, kallistus/asentokytkimellä. Johdotuksessa oleva kuula päästää virtaa läpi vain tietyssä asennos Motormaße ohne Welle (Lxø): 52x36 mm, Getriebemaße: 91x56x22 mm, Welle (Lxø): 16x8 mm.
Jaa






