1
/
/
5
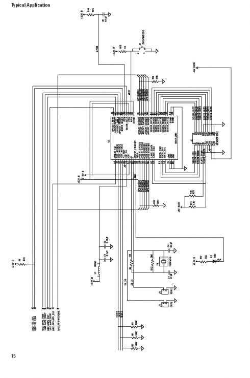
HDCP-2010 - HDCP-2010 provides a complete image-processing pipeline for the. Agilent family of CMOS ..
HDCP-2010 - HDCP-2010 provides a complete image-processing pipeline for the. Agilent family of CMOS ..
Normaalihinta
3,00 €
Normaalihinta
Alennushinta
3,00 €
Yksikköhinta
/
kohti
Sisältää verot.
Toimituskulut lasketaan kassalla.
Noudon saatavuutta ei voitu ladata
Jaa
